Sanitairwagen
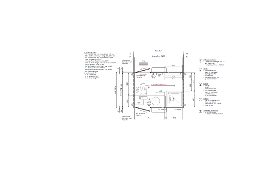
Douche, toilet en wastafelDeze sanitairwagen is voorzien van een douche, toilet en wastafel en biedt een complete, mobiele oplossing voor sanitair op locatie. Dankzij de uitvoering op wielen is het eenvoudig te verplaatsen en flexibel inzetbaar.
{acf_other_comments_content}
Laten plaatsen
Wij verzorgen het transport en de plaatsing van de units op locatie.
Samen met u stemmen we de planning af, zodat levering en plaatsing aansluiten op uw situatie. De transportkosten zijn afhankelijk van de locatie, bereikbaarheid en het type unit. Wij geven hier vooraf duidelijk inzicht in.
Zelf plaatsen
In sommige gevallen is het mogelijk om de unit zelf te plaatsen, afhankelijk van de situatie en het type unit. Wij adviseren u hier graag over.
Heeft u specifieke wensen of vragen over de planning of plaatsing? Wij denken graag met u mee.
Veelgestelde vragen
Welke vergunning moet ik aanvragen voor het tijdelijk plaatsen van een unit?
In veel gevallen dient u een tijdelijke omgevingsvergunning aan te vragen voor het tijdelijk plaatsen van een unit.
Ik heb een unit gehuurd maar heb deze niet meer nodig. Hoe zeg ik de huur op? En met welke opzegtermijn moet ik rekening houden?
De huur van een unit kan telefonisch of per mail opgezegd worden.
Er wordt een opzegtermijn van minimaal 2 weken gehanteerd.
Hoe gaat het transport van een unit in zijn werk?
Het transport van een unit kan door Klein Units verzorgd worden. De unit wordt dan getransporteerd met een vrachtauto met kraan.
Echter bent u ook vrij om zelf het transport te regelen en de unit bij ons af te laten halen.
Wat is de levertijd van een unit?
De levertijd van een unit verschilt per situatie.
Mits de unit voorradig en beschikbaar is, streven wij ernaar om de unit binnen 5 werkdagen te kunnen leveren op locatie [m.u.v. woonunits en schakelunits].
Hoe vraag ik een offerte aan?
U kunt op verschillende manieren een offerte aanvragen, namelijk:
- per telefoon
- per mail
- per contactformulier [per specifiek product of algemeen]
Vraag een vrijblijvende offerte aan
HUREN
Deze wagen bieden wij aan voor verhuur. Uiteraard zorgen wij ervoor dat deze aansluit bij uw wensen en gaan wij voor een snelle en complete service. Uitermate geschikt als tijdelijke sanitaire ruimte inclusief douche, toilet en wastafel. U ontvangt de wagen inclusief aansluitkabels t.b.v. stroom, wateraanvoer en afvoer en kenteken voor rijden op de openbare weg. U kunt de wagen zelf ophalen bij één van onze vestigingen, maar wij kunnen de wagen ook op de gewenste locatie leveren. Is er tijdens het gebruik een storing, dan lossen wij dat snel voor u op.
KOPEN
Deze badkamerwagen is ook te koop. Luxe afwerking, inclusief bekabeling en eenvoudig schoon te houden door de polyester wanden. Doordat de wagen verrijdbaar is, is deze eenvoudig naar een volgend project te brengen. Uitermate geschikt als tijdelijke sanitaire ruimte, inclusief douche, toilet en wastafel. In diverse kleuren polyester leverbaar. Mocht deze uitvoering niet de gewenste oplossing zijn, neem dan contact met ons op. Er zijn meerdere indelingen en afmetingen leverbaar.










